I. (15 pts.) Sketch schematics for the following constructs. Unless specified otherwise, assume signals of type std_logic or std_logic_vector of the appropriate size.
SIGNAL enable : std_ulogic; SIGNAL a, b : boolean; SIGNAL X, Y, Z : std_logic;
a. IF enable = '0' THEN Y <= X; END IF;
b. IF enable = '1' THEN Z <= X; ELSE Z <= Y; END IF;
c. IF a OR b THEN Z <= X; ELSIF a AND b THEN Z <= not X; ELSE Z <= Y; END IF;
II. (15 pts.) Sketch schematics for the following constructs. Unless specified otherwise, assume signals of type std_logic or std_logic_vector of the appropriate size.
a. IF enable = '1' THEN Z <= X; ELSIF enable = '0' THEN Z <= not X; ELSE Z <= 'X'; END IF;Z < = 'X' is not used by the synthesis tool. You may also recognize the circuit above can be replaced by XNOR.
EVERYONE GETS 5 FREE POINTS FOR PART B. The question shown below is the one intended, and the solution is shown on the right.
b. IF sel = "00" THEN Y <= X; ELSE Y <= 'Z'; END IF; IF sel = "01" and a THEN Z <= X; ELSE Z <= Z'; END IF;
c. SIGNAL p : integer range 0 to 3; SIGNAL Y : std_logic_vector(0 to 1); CASE p IS when 0 => Y <= "10" after Tprop; when 1 => Y <= X after Tprop; when 2 => Y <= Y after Tprop; when 3 => Y <= "01" after Tprop; END CASE;
III. (15 pts.) Sketch schematics for the following constructs. Unless specified otherwise, assume signals of type std_logic or std_logic_vector of the appropriate size. Indicate clearly whenever you are showing buses what the width and connection is.
a. WITH regsel SELECT Z <= A after Tprop WHEN "00" B after Tprop WHEN "01" C after Tprop WHEN "10" D after Tprop WHEN "11" "XX" after Tprop WHEN others;
b. SIGNAL pbus : std_logic BUS; a1: BLOCK ( enable = '0' ) pbus <= guarded X after Tprop; END BLOCK a1; a2: BLOCK ( enable = '1' ) pbus <= guarded Y after Tprop; END BLOCK a2;
c. SIGNAL Z : std_logic_vector( 0 to 2) BUS; SIGNAL X, Y : std_logic_vector( 0 to 2); SIGNAL a, b : std_logic;a0: BLOCK ( a = '1') Z <= X after Tprop; END BLOCK; a1: BLOCK ( b = '1') Z <= Y after Tprop; END BLOCK;
IV. (15 pts.) How does a synthesis tool use each of the following pieces of information:
a. SIGNAL x : 0 to 63;
Signal X is either a bus or a register of 6 bits.
b. CONSTANT xxxs : std_logic_vector (0 to 7) := (others => 'X');
XXXs represents "XXXX_XXXX" which is useful for simulation, but not for synthesis.c. SIGNAL Y : std_logic_vector ( X'range ) BUS;
ASSERTIONS are not synthesized.e. Z <= X(N-1) & X( 0 to N-2) -- X(0 to N-1)
V. (15 pts.) Sketch the unoptimized circuit (4 pts.) and then explaining your steps transform the original circuit into an optimized result. (4 pts).
a. Y := X(0); FOR i in 1 to 3 LOOP IF X(i) = '1' THEN Y <= not Y; END LOOP;
The inverted X with the multiplexor at each stage is equivalent to XOR. We then balance the XOR gates as shown below to minimize the worst case input-output delay for the circuit.
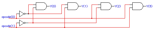
Vb. SIGNAL Y : std_logic_vector (0 to 3); SIGNAL opcode : std_logic_vector (0 to 1); WITH opcode SELECT Y <= "0001" WHEN "11", "0010" WHEN "10", "0100" WHEN "01", "1000" WHEN "00";
The leftmost multiplexor appears below. Constant propagation allows us to replace any NAND gate with a '0' input with a '1' on the output signal line and to delete any '1' input to an NAND gate. This eliminates gates b, c, d below, and the top input to gate a. This then allows us to drop the bottom three inputs to gate e, leaving an inverter. The NAND followed by the inverter can be replaced by an AND gate.
Repeating this for the other three stages and collecting redundant inverters from opcode(0) and opcode(1) gives us this final optimized circuit.
ENTITY FSM port ( X : in bit; clock, reset : in bit; Z : out bit ) is end FSM; ARCHITECTURE enum OF FSM is type State is ( s0, s1, s2 ); signal current_state, next_state : State; begin Ck_reg: process ( clock ) begin if (reset = '1') then current_state <= s0; elsif (clock'event and clock='1' and clock'last_value = '0') then current_state <= next_state; end if; end process; Next_logic: process (X, current_state) begin case current_state is when s0 => if X='1' then next_state <= s1 else next_state <= s0; when s1 => if X='1' then next_state <= s2 else next_state <= s0; when s2 => if X='1' then next_state <= s2 else next_state <= s1; end case; end process; Output_logic: process ( current_state ) -- Note that the Z output is function only of the current_state. begin case current_state is when s0 | s1 => Z <= '0'; when s2 => Z <= '1'; end case; end process; end enum;VI.b. Draw a schematic (using D flipflops) similar to the circuit that either Synopsys or Autologic should produce from such a description. Assume a "one hot" encoding of the states.
VII. (10 pts.) Asynchronous design
Even though Synopsys and Autologic won't synthesize this description, using the form using a "one hot" encoding of the implicit states developed in class this semester to support the representation of algorithmic state machines (flowchart approaches to describing state machines), what should a synthesis tool produce?
ARCHITECTURE a OF b IS SIGNAL request, send, ack : boolean; SIGNAL Data_in, Cvec : std_logic_vector (0 to 3); BEGIN PROCESS BEGIN send <= false; WAIT UNTIL request; send <= true; Cvec <= Data_in; WAIT UNTIL ack; END PROCESS; END a;
Revised 12/11/95